基于超高压智能变电站的CT二次回路校验分析
吕棋鸿
摘 要:智能变电站有数据共享方便、二次回路简单、节约投资和占地少等优点,是未来的发展趋势。随着智能变电站的推广建设,一些传统的检修手段已不再适用。本文以智能变电站二次回路为对象,研究利用智能站丰富的状态信息和通信数据进行二次回路在线监测的方法,从而提高系统运行的安全性和稳定性,提高变电站运行维护的智能化水平。
关键词:智能变电站;二次回路;在线监测
中图分类号:TM76 文献标识码:A 文章编号:1671-2064(2017)12-0151-01
智能变电站有数据共享方便、二次回路简单、节约投资和占地少等优点,是未来的发展趋势。本文探讨智能变电站二次回路的在线监测方法,达到对二次回路的异常进行提前预警,从而提高系统运行的安全性和稳定性,提高变电站运行维护的智能化水平。
1 系统架构
为了实现智能变电站二次回路在线监测,核心是信息的获取与综合分析。变电站二次回路在线监测系统由主站系统与站端装置两部分组成,主站系统部署在省调调度端,站端以网络报文记录分析装置作为数据源。站端装置负责信息的采集、配置、预处理以及过滤。一旦通信网络发生异常,装置立即对相关异常信息进行收集、诊断,并以文件上送到主站系统,主站系统对站端装置上送的各种异常信息进行收集及综合诊断,并在界面显示。
2 在线监测信息分析
针对智能变电站二次回路在线监测的需求,根据站内不同类型二次设备的特点,可以将在线监测信息分为三类:运行状态信息、告警信息及保护动作信息等。
2.1 运行状态信息
装置的运行状态信息是指装置的开关量信息、采样值、软硬件自检信息。其中开关量信息和采样值包含重要的开关量状态以及各支路电流、差动电流。软硬件自检信息主要有装置的电源电压信息、通道光强、运行温度等。
SV/GOOSE的运行状态信息是指报文状态以及格式异常信息。报文状态包含幅值精度、相位精度、数据有效性、同步状态、检修状态等。报文格式异常是指因设备故障导致的报文残缺、乱码、过长等报文帧格式错误。
2.2 告警信息
告警信息包含开关量、采样值异常告警及装置异常告警。其中开关量异常告警包含开关量异常、GOOSE链路中断、GOOSE检修不一致等。采样值异常告警包括PT/CT断线、SV链路中断、SV品质异常、SV检修状态不一致等。装置异常告警主要有失电告警、闭锁等。当监测这些重要告警信息时,快速进行故障诊断和状态评估,为检修人员提供有效指导,提高智能站维护便利性。
2.3 保护动作信息
保护动作信息包含保护动作信号(保护启动、保护动作元件)和动作出口信号(出口相别,整组动作时间)。
3 信息采集方案
因在线监测信息是通过网络报文记录分析装置采集上送,考虑到过程层和站控层间有着量级巨大的网络报文数据,有许多非重要与冗余的信息,从而给调度数据网造成了很大的压力。为了使在线监测更加快速有效,站端装置需要在数据采集后进行数据的关联、筛选及过滤。根据二次回路在线监测需求,将在线监测信息分为暂态文件、稳态文件以及状态文件三种,其中暂态文件是指当链路中出现重要告警信息时,由装置将该时刻APPID对应的所有链路信息进行整理生成的文件。稳态文件是记录长时间监测信息(如电压电流、光强、温度等)的文件,状态文件是监测链路实时通断状态的文件。
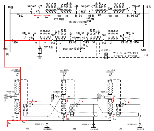
实际应用过程中,稳态文件和状态文件由网络报文记录分析装置周期性定时上送,当站控层中有重要告警数据、变化量超过5%或分析状态有改变时网络报文记录分析装置主动上送暂态文件。主站端实时查询上送的数据与各二次设备的对应状况。如图1所示。
4 结语
二次回路在线监测系统存储站端上送的信息,并能进行实时诊断分析,同时统计分析状态信息的长期变化规律,并结合装置异常时的状态特征,评估健康狀况,做出诊断决策。通过将告警进行梳理与筛选并上送至调度端进行综合分析,可有效实现全网继电保护设备在线监测与故障诊断分析。
参考文献
[1]林冶,张孔林,唐志军.智能变电站二次系统原理与现场实用技术[M].北京:中国电力出版社,2016.
[2]鲍凯鹏,谢刚文,曾治安,等.智能变电站二次回路在线监测研究[J].智能电网,2014,(5):23-27.
[3]王宏伟,郑运召.智能变电站二次回路在线监测技术研究[J].数字技术与应用,2015,(5):121-123.
